TX6301是一款开关型自动升降压LED恒流驱动芯片
TX6301是宽输入输出电压范围的高精度、、高效率的升降压型LED恒流驱动控制芯片。。
芯片采用电流模闭环控制方式,,,可实现高精度的恒流驱动。。工作频率可通过外接电容调整。。。
内置逐周期限流保护,,,,软启动,,过温保护等功能,,,保证系统可靠性。。。内置调光脚,,可通过CE脚加PWM 信号进行LED灯调光。。。
芯片具有稳定可靠、、、、动态响应快等优点,,,并能实现高精度、、高效率升降压恒流驱动,,,,内置VDD稳压管。。。
芯片采用 SOP-8 封装。。。。
输入电压:12-36V
输出电压:24V
输出电流:2A
工作频率:500KHz
转换效率:93%
芯片封装:SOP-8
LED车灯
LED摩托车灯
LED照明
LED背光
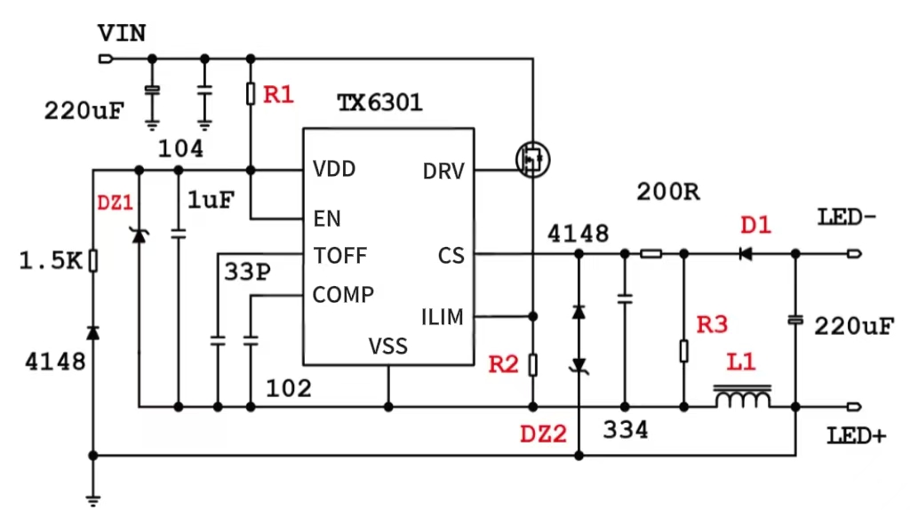
TX6301 DEMO板 应用原理图

TX6301 DEMO板 PCB图

TX6301 输出电流计算器
