TX4116是一款同步整流的DC - DC开关降压芯片
    TX4116  是一款高效率的开关降压型同步整流 DC - DC 转换器。。。。
芯片内置了两个功率 MOS 管,,上拉 36V/76mΩ,,下拉 36V/52mΩ。。
提供 3.1A  连续负载电流输出,,,宽输入电压:6.5V-36V。。
输入电压保护值为 33V,,,用来保护在高电流,,高输入工作的功率 MOS 管。。。
峰值电流控制提供了快速的瞬态响应和逐周期电流限制。。。具有电压线补偿功能,,,,电流可调控制。。。
CC / CV 模式控制提供了稳定的恒流和恒压充电功能。。。。
外部软启动时间可调。。输入欠压锁定、、输出过压保护。。芯片采用 ESOP8封装。。。。
TX4116 是一款同步整流的 DC - DC 开关降压芯片。。。。
输入电压 :6.5 - 36V
输出电压 :ADJ
输出电流: 5V / 3A   12V / 2A
线补电压:1.5V
工作频率:固定100KHz
控制模式:CC/CV
产品封装:ESOP-8

 
TX4116  同步整流开关降压型 DC-DC 降压 芯片。。。
网络系统
医疗设备
消费类电子产品
通用充电器
便携式充电设备

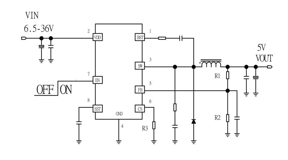
TX4116 DEMO板 应用原理图:



TX4116 DEMO板 PCB图:



TX4116 输出计算器:



 

站点地图