TX4114是一款开关降压型DC-DC同步整流转换芯片
芯片输入电压范围从 8V 到 30V,,,输出电流高达 2A。。。。
芯片采用同步整流架构提高了能量的转换效率,,,,开关频率可调从 150kHz - 500kHz。。
芯片具有良好的带载能力和电压调节特性。。
内置 MOS 的快速瞬态响应提高了芯片的工作稳定性。。
芯片需要少量的标准外部组件即可工作。。芯片具有可调的电流限制和智能过温保护功能。。。。
芯片采用 SOP-8 封装。。。

TX4114 是一款开关降压型 DC-DC 同步整流转换芯片
输入电压:8-30V
输出电压:5 - 24V
输出电流:2A
工作频率:150-500KHz
转换效率:93%
过温保护
输出短路保护
产品封装:SOP-8
TX4114 是一款开关降压型 DC-DC 同步整流转换芯片
消费类电子产品
线性调压器
分布式电源
POE电源
安防设备等
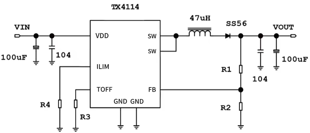
TX4114 DEMO板原理图:

TX4114 DEMO板 PCB图:

TX4114 输出电压计算器:
